| |
 |
| |
|
|
 |
| |
化学工厂/畜牧业/肥料工厂/垃圾处理厂/镀金工厂/半导体制造工厂 |
| |
|
 |
| |
|
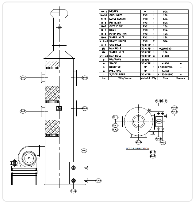
| - 可同时去除臭气、灰尘等多种大气污染物质。 |
| - 因压力损失低而维持费用低廉。 |
| - 在高温或低温都可简易使用。 |
| - 根据使用材质,可以SUS304、PP、PVC等制造。 |
|
| |
 |
| |
 |
| |
|
 |
| |
| Type |
SCR-50 |
SCR-100 |
SCR-200 |
SCR-300 |
SCR-400 |
| POWER SOURCE |
220V / 380V 3P 60Hz, 440V(Option), 50Hz(Option) |
| BLOWER (60/50hz) |
Airflow(m³/min) |
50 |
100 |
200 |
300 |
400 |
| Constant Pressure(mmAq) |
200 |
200 |
200 |
220 |
200 |
| MOTOR(Kw) |
4 |
11 |
22 |
25 |
30 |
| SIZE |
Diameter (¢mm) |
1,000 |
1,300 |
2,000 |
2,400 |
2,700 |
| Height (mm) |
4,200 |
4,200 |
4,900 |
5,000 |
5,300 |
|
| |
* The specification can change without a prior notice to improve the performance. |
| |
|
|
 |
|