| |
 |
| |
|
|
 |
| |
牙科工具研磨/Buffling加工/其他磨麻工程 |
| |
|
 |
| |
|
| 把磨床和除尘器的一体化 |
因把磨床和除尘器的一体化而简单去除所产生的灰尘。 |
| 简单的设计 |
因简单的设计而外观轻巧。 |
| 内置环形预过滤滤芯 |
采用火焰沉淀设备和可延长过滤器寿命的环形预过滤滤芯。 |
| 配装防振橡胶 |
因配装防振橡胶而自身吸收砂轮机的振动,可安静操作。 |
| 内置消音器 |
因内置消音器而体现了低噪音。 |
|
| |
|
 |
| |
 |
| |
|
 |
| |
| Type |
GD-100 |
| POWER SOURCE |
220V 1P AC 60Hz |
| BLOWER (60HZ) |
Airflow(m³/min) |
0 |
7 |
15 |
| Constant Pressure(mmAq) |
330 |
250 |
160 |
| BLOWER (50HZ) |
Airflow(m³/min) |
0 |
6 |
12 |
| Constant Pressure(mmAq) |
220 |
170 |
110 |
| MOTOR(Kw) |
0.75 |
| FILTER |
Size (W x L) |
435 x 600 |
| Quantity (Pocket) |
8 |
| Filtering Area (m²) |
1.6 |
| Material Quality |
POLYESTER |
| Shaking Type |
Hand shaking |
| GRINDER |
Output (W) |
510 |
| Grinding Stone ( Ø X T) |
200x20 |
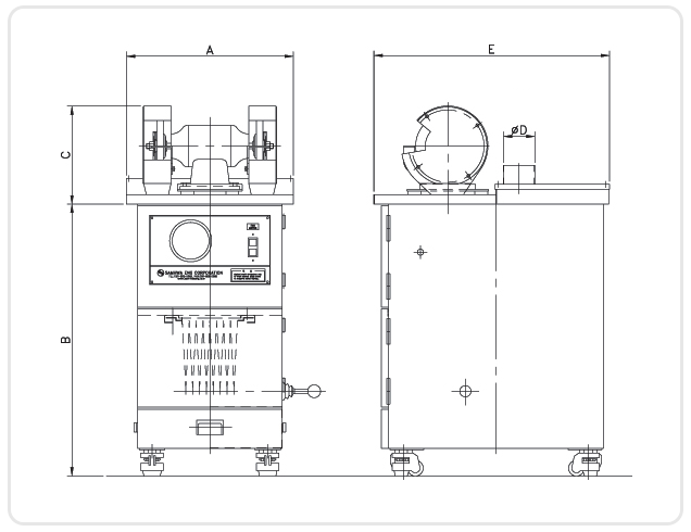
| SIZE |
A (mm) |
520 |
| B (mm) |
850 |
| C (mm) |
305 |
| ØD (mm) |
100 |
| E (mm) |
735 |
| Bucket Capacity (ℓ) |
13 |
| Approximate Weight (㎏) |
80 |
|
| |
* The specification can change without a prior notice to improve the performance. |
| |
|