| Home > Á¦Ç°¼Ò°³ > ¼¼Á¤ÁýÁøÀåÄ¡ |
|
|
|
 |
| |
 |
| |
|
|
 |
| |
ÈÇаøÀå / Ãà»ê³ó¾÷ / ºñ·á°øÀå / ¾²·¹±â ó¸®Àå / µµ±Ý°øÀå / ¹ÝµµÃ¼ Á¦Á¶°øÀå |
| |
|
 |
| |
|
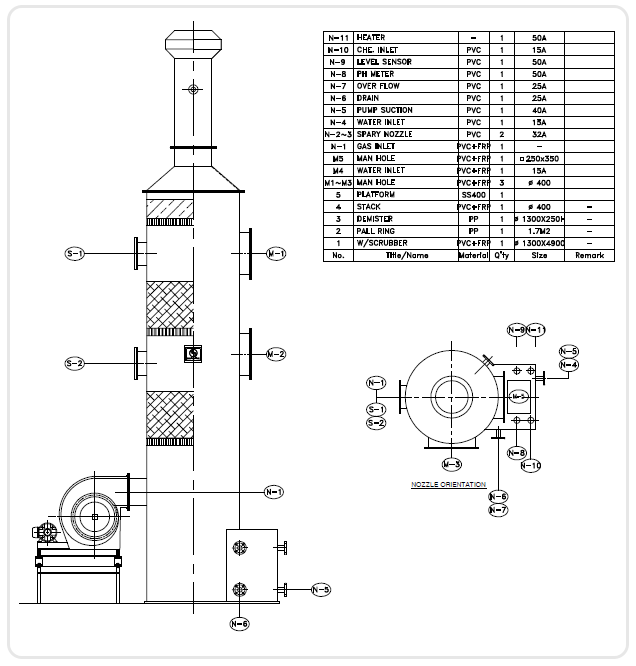
| - ³¿»õ¿Í ºÐÁøµî ´Ù¾çÇÑ ´ë±â ¿À¿°¹°ÁúÀ» µ¿½Ã¿¡ Á¦°Å °¡´ÉÇÏ´Ù. |
| - ³·Àº ¾Ð·Â¼Õ½Ç·Î À¯Áö ºñ¿ëÀÌ Àú·ÅÇÏ´Ù |
| - °í¿ÂÀ̳ª Àú¿Â¿¡¼µµ ½±°Ô »ç¿ëÀÌ °¡´ÉÇÏ´Ù. |
| - »ç¿ëÀçÁú¿¡ µû¸® SUS304, PP, PVCµîÀÌ Á¦ÀÛÀÌ °¡´ÉÇÏ´Ù |
|
| |
 |
| |
 |
| |
|
| |
|
 |
| |
| Type |
SCR-50 |
SCR-100 |
SCR-200 |
SCR-300 |
SCR-400 |
| POWER SOURCE |
220V / 380V 3P 60Hz, 440V(Option), 50Hz(Option) |
| BLOWER (60/50hz) |
dz·®(m©ø/min) |
50 |
100 |
200 |
300 |
400 |
| Á¤¾Ð(mmAq) |
200 |
200 |
200 |
220 |
200 |
| MOTOR(Kw) |
4 |
11 |
22 |
25 |
30 |
| SIZE |
Áö¸§ (¡Ëmm) |
1,000 |
1,300 |
2,000 |
2,400 |
2,700 |
| ³ôÀÌ(mm) |
4,200 |
4,200 |
4,900 |
5,000 |
5,300 |
|
| |
* º» »ç¾çÀº ¼º´ÉÇâ»óÀ» À§ÇØ ¿¹°í¾øÀÌ º¯°æµÉ ¼ö ÀÖ½À´Ï´Ù. |
| |
|
| |
|
|
 |
|
|