| Home > Á¦Ç°¼Ò°³ > ÈÞ´ë¿ë Èâ ÁýÁø±â |
|
|
|
 |
| |
 |
| |
|
 |
| |
¾à±¹/ °³ÀΠû¼Ò±â/ ¹ÝµµÃ¼ °øÁ¤/ °³Àκ° ¿ëÁ¢Èâ ÁýÁø±â·Î »ç¿ëÇÕ´Ï´Ù |
| |
|
 |
| |
1. °í¼º´É »çÀÌŬ·Ð žÀç·Î ÇÊÅÍ ¼ö¸íÀ» ¿¬ÀåÇÕ´Ï´Ù.
2. 0.3§ ÀÌ»óÀÇ ¿À¿°¸ÕÁö·Î 99.9% ÀÌ»ó Á¦°ÅÇÏ´Â °í¼º´É ÇìÆÄÇÊÅ͸¦ »ç¿ëÇÏ¿´½À´Ï´Ù.
3. 7KgÀÇ °æ·®À¸·Î À̵¿¼ºÀÌ ¿ëÀÌÇϸç, ¾ÈÀüÇϰí È¿À²ÀûÀÎ »ç¿ëÀÌ °¡´ÉÇÕ´Ï´Ù.
4. ƯÇã µî·Ï (Á¦10-1149615È£) |
|
| |
|
 |
| |
 |
| |
|
 |
| |
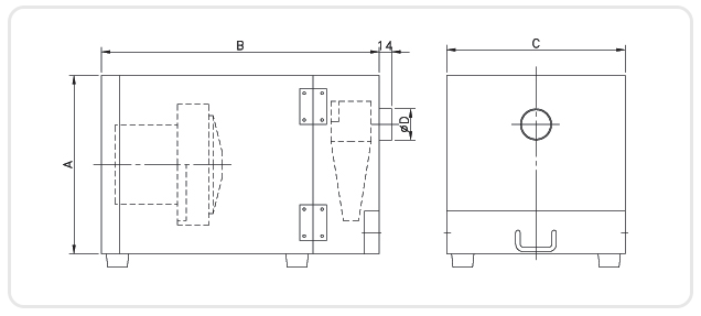
| Type |
FC-100 |
| POWER SOURCE |
220V ´Ü»ó |
| BLOWER |
dz·®(m©ø/min) |
2.65 |
| Á¤¾Ð(mmAq) |
2600 |
| MOTOR(Kw) |
1.1KW |
| FILTER |
1Â÷ ÇÊÅÍ |
PRE FILTER |
| 2Â÷ ÇÊÅÍ |
HEPA FILTER |
| SIZE |
A(mm) |
200 |
| B(mm) |
311 |
| C(mm) |
200 |
| ¥ÕD(mm) |
35 |
| »ç¿ë½Ã°£ |
6ºÐ ¿îÀü,3ºÐ Á¤Áö (360½Ã°£ ÀÌ»ó ¿îÀü °¡´É) |
| Áß·®(§¸) |
7KG |
| ¼ÒÀ½(DB) |
75 |
|
| |
|
|
 |
|
|